| Availability: | |
|---|---|
| Quantity: | |
SQ-6 PLC Type Rotary Blow Molding Machine
Rotary Blow Molding Machine is our famous machine, which is suitable to produce small bottles from 1ml to 800ml. This machine was widely used for produce ice lolly tubes, ice pop bottles, milk bottles, yogurt bottles, medicine bottles and pipette dropers.
Rotary Blow molding machine could work with LDPE, HDPE, PP materials, the bottle thickness could be controlled by our machine easily.
Our Rotary blow molding machine could produce with very high speed output, each hour can reach 3000 pieces of lolly tubes. 5000 pieces of pipette droppers. 1000 pieces above of the milk yogurt juice bottles;  
| Max. Bottle Containment | 800ml | 
| Productive capacity | 3000 PCS/hour (ice pops ) | 
| Allowed Mould width | 125mm | 
| Allowed Mould Thickness | 118mm | 
| Blowing Air pressure | 0.4-0.7Mpa | 
| Rated Power | 15kw | 
| Average Running Power | 7kw | 
| Extruder Screw Diameter | 55mm | 
| Plasticizing Capacity | 40KG/Hour | 
| Size of Main Frame(L.W.H) | 3300×1200×1500mm | 
| Weight | 1500kg | 
Below is ice lolly tube blow molding machine video from youtube.com
Below is litchi bottle 8 stations rotary blow molding machine demo:
This 6molds blow molding machine is PLC control , easy operate. The PLC can English languge.
It can produce ice pop tube , ice lolly, jelly soft bottle. The PLC machine produce ice pops can full automatic.
After Sales Service: buyer should pay for all fees for flight, accommodation and etc, seller could come to buyers’ factory to install and adjust machine. Engine cost is USD80/Day.
Warrenty: We warranty the quality of this machine for 12 months, if there is any problem with the machine, or any main parts are broken, we will repair it or replace new for free.
We have three styles of rotary blow molding machine:
connected style: the blower and extruder is connected to be a whole machine; 
separate style: the blower and extruder is separate to be two separate machines;
PLC style: the blower and extruder is conneceted and controlled by PLC touch screen. 
Connected Style Rotary Blow Molding Machine as below:
Separate Style Rotary Blow Molding Machine as below(Extruder and Blower Separately):
PLC type Rotary Blow Molding machine as below:
1, this type machine equipped with PLC control screen, the temperaturer controller is build in system.
Ice lolly Tube Moulds are as below:
Our company machine in customer jobsite:
Our machine in Bangladesh Exhibition
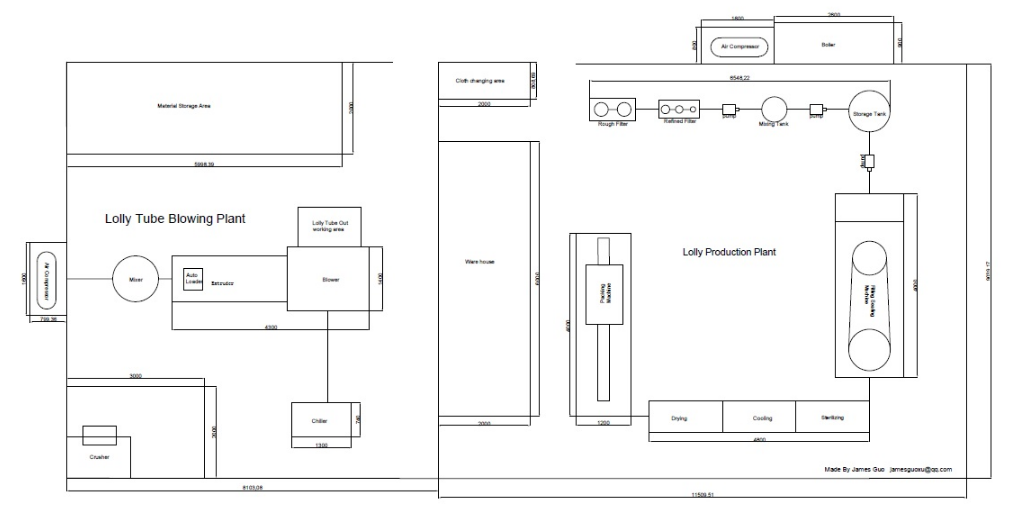
Ice lolly Tube Plant Layout
Ice lolly Production Plant Layout
PACKING METHOD:
| Company | Hebei Sanqing Machinery Manufacture Co., Ltd. | 
| jamesguoxu@qq.com | |
| 0086 13831792128 | |
| 0086 13831792128 | |
| YouTube | https://www.youtube.com/@blowmouldingmachines | 
SQ-6 PLC Type Rotary Blow Molding Machine
Rotary Blow Molding Machine is our famous machine, which is suitable to produce small bottles from 1ml to 800ml. This machine was widely used for produce ice lolly tubes, ice pop bottles, milk bottles, yogurt bottles, medicine bottles and pipette dropers.
Rotary Blow molding machine could work with LDPE, HDPE, PP materials, the bottle thickness could be controlled by our machine easily.
Our Rotary blow molding machine could produce with very high speed output, each hour can reach 3000 pieces of lolly tubes. 5000 pieces of pipette droppers. 1000 pieces above of the milk yogurt juice bottles;  
| Max. Bottle Containment | 800ml | 
| Productive capacity | 3000 PCS/hour (ice pops ) | 
| Allowed Mould width | 125mm | 
| Allowed Mould Thickness | 118mm | 
| Blowing Air pressure | 0.4-0.7Mpa | 
| Rated Power | 15kw | 
| Average Running Power | 7kw | 
| Extruder Screw Diameter | 55mm | 
| Plasticizing Capacity | 40KG/Hour | 
| Size of Main Frame(L.W.H) | 3300×1200×1500mm | 
| Weight | 1500kg | 
Below is ice lolly tube blow molding machine video from youtube.com
Below is litchi bottle 8 stations rotary blow molding machine demo:
This 6molds blow molding machine is PLC control , easy operate. The PLC can English languge.
It can produce ice pop tube , ice lolly, jelly soft bottle. The PLC machine produce ice pops can full automatic.
After Sales Service: buyer should pay for all fees for flight, accommodation and etc, seller could come to buyers’ factory to install and adjust machine. Engine cost is USD80/Day.
Warrenty: We warranty the quality of this machine for 12 months, if there is any problem with the machine, or any main parts are broken, we will repair it or replace new for free.
We have three styles of rotary blow molding machine:
connected style: the blower and extruder is connected to be a whole machine; 
separate style: the blower and extruder is separate to be two separate machines;
PLC style: the blower and extruder is conneceted and controlled by PLC touch screen. 
Connected Style Rotary Blow Molding Machine as below:
Separate Style Rotary Blow Molding Machine as below(Extruder and Blower Separately):
PLC type Rotary Blow Molding machine as below:
1, this type machine equipped with PLC control screen, the temperaturer controller is build in system.
Ice lolly Tube Moulds are as below:
Our company machine in customer jobsite:
Our machine in Bangladesh Exhibition
Ice lolly Tube Plant Layout
Ice lolly Production Plant Layout
PACKING METHOD:
| Company | Hebei Sanqing Machinery Manufacture Co., Ltd. | 
| jamesguoxu@qq.com | |
| 0086 13831792128 | |
| 0086 13831792128 | |
| YouTube | https://www.youtube.com/@blowmouldingmachines | 

 
 